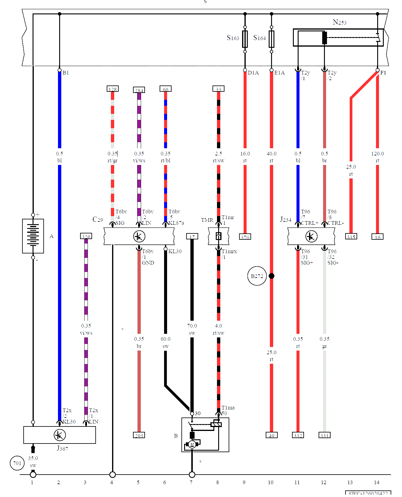
Battery, Starter, Starter Generator, Fuses (On Fuse Panel), Coupling Point In Engine/Motor Compartment, Right
A
Battery, In the Luggage Compartment Type:BT, Slpdok:, Aim:BTA
B
Starter
C29
Starter Generator Type:BT, Slpdok:, Aim:BTC29
J234
Airbag Control Module Type:BT, Slpdok:, Aim:BTJ234
J367
Battery Monitoring Control Module Type:BT, Slpdok:, Aim:BTJ367
N253
Battery Interrupt Igniter Type:BT, Slpdok:, Aim:BTN253
S
Fuses (On Fuse Panel), On the Battery Fuse Panel Type:BT, Slpdok:, Aim:BTS
S163
Fuse 2 (Terminal 30) on Battery Fuse Panel Type:BT, Slpdok:, Aim:BTS163
S164
Fuse 3 (Terminal 30) on Battery Fuse Panel Type:BT, Slpdok:, Aim:BTS164
T1ma
1-Pin Connector, Black
T1mr
1-Pin Connector, Black
T1mrx
1-Pin Connector, Black
T2x
2-Pin Connector, Black
T2y
2-Pin Connector, Yellow
T6bv
6-Pin Connector, Black
T96
96-Pin Connector, Yellow
TMR
Coupling Point in Engine/Motor Compartment, Right Type:BT, Slpdok:, Aim:BTTMR
701 Ground Connection in Luggage Compartment Type:VB, Slpdok:, Aim:VB701
B272 Positive Connection (30) (in Main Wiring Harness)
* Ground Supply via the Housing
