LEMON Manuals: Even more car manuals for everyone: 1960-2025
Home >> Audi >> 2021 >> A4 Quattro Premium Plus, 2.0L Eng VIN B >> Repair and Diagnosis (Single Page) >> Engine Mechanical >> Cooling Fan >> Cooling System 2.0L (DPAA) >> 19 Cooling System >> Cooling System/Coolant >> Connection Diagram - Coolant Hoses >> Connection Diagram - Coolant Hoses, AUDI A4/A5 And Q5 Without High-Voltage System, Without Parking/Auxiliary Heater

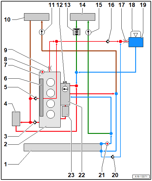
Connection Diagram - Coolant Hoses, AUDI A4/A5 And Q5 Without High-Voltage System, Without Parking/Auxiliary Heater

Fig 1: Connection Diagram - Coolant Hoses, Audi A4/A5/Q5 Without Parking/Auxiliary Heater
GWWA19-13371Courtesy of AUDI OF AMERICA, LLC
  1. Radiator
  2. Cylinder Block
  3. Check Valve
  4. Turbocharger
  5. Check Valve
  6. Exhaust Manifold
  7. Cylinder Head
  8. Engine Coolant Temperature Sensor -G62-
  9. Restrictor
  10. Heater Core for the Heater
  11. Coolant Recirculation Pump -V50-
  12. Coolant Pump
  13. Coolant Thermostat
    • For transmission coolant circuit
    • For version with dual clutch transmission
  14. ATF Cooler
    • For version with dual clutch transmission
  15. After-Run Coolant Pump -V51-
    • For version with dual clutch transmission
  16. Check Valve
  17. Restrictor
  18. Cap
  19. Coolant Expansion Tank
  20. Check Valve
  21. Engine Coolant Temperature Sensor on Radiator Outlet -G83-
  22. Engine Temperature Control Actuator -N493-
  23. Engine Oil Cooler