LEMON Manuals: Even more car manuals for everyone: 1960-2025
Home >> Audi >> 2021 >> A4 Quattro Premium Plus, 2.0L Eng VIN B >> Repair and Diagnosis (Single Page) >> Heating, Ventilation & A/C (HVAC) >> A/C Compressor >> Air Conditioning (Refrigerant R134A Servicing) (2 Of 2) >> 87 Air Conditioning >> Refrigerant Circuit General Information >> Refrigerant Circuit Pressures And Temperatures >> Refrigerant Circuit With RESTRICTOR And Reservoir

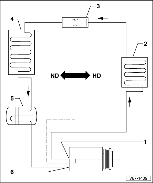
Refrigerant Circuit With RESTRICTOR And Reservoir

HP- High pressure side of refrigerant circuit.

LP- Low pressure side of refrigerant circuit.

Component Aggregate State of Refrigerant Pressure (positive pressure) Temperature
-1- A/C compressor, HP side Gas up to 20 bar (290 psi) up to 70 °C (158 °F)
-2- Condenser From gas to vapor to fluid up to 20 bar (290 psi) up to 70 °C (158 °F)
-3- Restrictor From fluid to vapor HP side up to 20 bar (290 psi) LP side greater than 1.0 bar (14.5 psi) HP side up to + 60 °C (140 °F) LP side warmer than -4 °C (25 °F)
-4- Evaporator From vapor to gas greater than 1.0 bar (14.5 psi) Warmer than -4 °C (25 °F)
-5- Reservoir Gas    
-6- A/C compressor low pressure side Gas    

Pressures on A-side are maintained at approximately 2 bar (29 psi) absolute pressure (corresponds to approximately 1 bar (14.5 psi) positive pressure) by "regulating" A/C compressor also at various engine speeds. However, this applies only within the performance range of the A/C compressor; if the performance limits of the A/C compressor are exceeded. Refer to PRESSURES, CHECKING .

NOTE:

In vehicles with A/C Compressor Regulator Valve -N280-, the pressure is modified on the low pressure side by the valve.

Arrows point in direction of refrigerant flow.

HP- High pressure side of refrigerant circuit.

LP- Low pressure side of refrigerant circuit.

Fig 1: Identifying Refrigerant Circuit With Restrictor And Reservoir Overview
GWWV87-1409Courtesy of AUDI OF AMERICA, LLC
  1. A/C Compressor, HP Side
  2. Condenser
  3. Restrictor
  4. Evaporator
  5. Reservoir
  6. A/C Compressor, LP Side