Refrigerant Circuit With An Electrically Driven A/C Compressor (With And Without Battery Cooling Module)
Vehicles with a High-Voltage System (Hybrid Vehicles)
Extremely Dangerous Due to High-Voltage
The high-voltage system is under high-voltage. Death or serious bodily injury by electric shock.
-- Individuals with electronic/medical life- and health sustaining machines in or on their person cannot perform any work on high-voltage systems. Life- and health sustaining machines are for example pain killer pumps, implanted defibrillators, pacemakers, insulin pumps, and hearing aids.
-- Have the high-voltage system de-energized by a qualified person.
There is a Risk of Injury from the Engine Starting Unexpectedly
On electric - hybrid vehicles an active ready mode is difficult to identify. Parts of the body can be clamped or pulled.
-- Turn off the ignition.
-- Place the ignition key outside of the vehicle interior.
Risk of Damaging the High-Voltage Cables
Misuse can damage the insulation of high-voltage cables or high-voltage connectors.
-- Never support objects on the high-voltage cables and the high-voltage connectors.
-- Never support tools on the high-voltage cables and the high-voltage connectors.
-- Never sharply bend or kink the high-voltage cables.
-- When connecting pay attention to the coding of the high-voltage connectors.
- For all procedures on vehicles with high-voltage system pay attention to the additional warning message for these vehicles. Refer to WARNINGS WHEN WORKING ON VEHICLES WITH HIGH VOLTAGE SYSTEM .
- If procedures are necessary near components of the high-voltage system "perform a visual inspection of the damage of the high-voltage components and lines". Refer to PERFORMING A VISUAL INSPECTION OF DAMAGE TO HIGH VOLTAGE COMPONENTS AND CABLES .
- If work on the components of the high-voltage system is necessity, de-energize the high-voltage system. Refer to the appropriate service information.
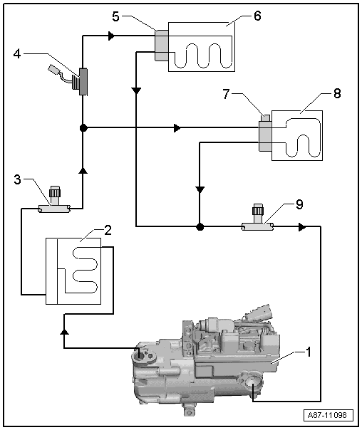
The following illustration shows a refrigerant circuit as an example, as it is installed in an Audi Q5 hybrid, for the design of the refrigerant circuit in the respective vehicle refer to the vehicle-specific Service Information. Refer to Refrigerant Circuit .
-Arrows- Point in Direction of Refrigerant Flow.
- Electrically-Driven A/C Compressor
- With A/C Compressor Control Module -J842- and Electrical A/C Compressor -V470-
- Condenser
- With receiver/dryer and dryer cartridge
- Service Connection, HP Side
- Hybrid Battery Refrigerant Shut-Off Valve 1 -N516-
- Only for vehicles with a battery cooling module for the Hybrid Battery Unit -AX1-.NOTE:
The Hybrid Battery Refrigerant Shut-Off Valve 1 -N516- is activated, for example, if it is necessary to cool the battery and no cooling is desired in the passenger compartment (open without activation).
- Only for vehicles with a battery cooling module for the Hybrid Battery Unit -AX1-.
- Expansion Valve
- On the evaporator in the A/C system
- Evaporator
- Evaporator in the A/C System
- Expansion Valve with Hybrid Battery Refrigerant Shut-Off Valve 2 -N517-
- On the evaporator in the battery cooling module
- Only for vehicles with a battery cooling module for the Hybrid Battery Unit -AX1-.NOTE:
The Hybrid Battery Refrigerant Shut-Off Valve 2 -N517- is activated if it is necessary to cool the battery (closed without activation).
- Evaporator
- Evaporator in the battery cooling module
- Only for vehicles with a battery cooling module for the Hybrid Battery Unit -AX1-.
- Service Connection, LP Side
