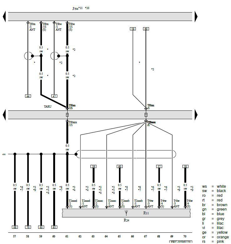
Information Electronics Control Module 1
J285 - Instrument Cluster Control Module
J794 - Information Electronics Control Module 1
SC - Fuse Panel C
SC8 - Fuse 8 (On Fuse Panel C)
SC10 - Fuse 10 (On Fuse Panel C)
SC14 - Fuse 14 (On Fuse Panel C)
T2dx - 2-Pin Connector, Black
T8bu - 8-Pin Connector, Black
T12ac - 12-Pin Connector, Gray
T18k - 18-Pin Connector, Black
T32f - 32-Pin Connector, Gray
B159 - Diagnostic Connection (in Interior Wiring Harness)
* - Refer to Applicable Communication Wiring Diagram
*2 - Refer to Applicable Sound System Wiring Diagram
*3 - Refer to Applicable Wiring Diagram for Infotainment Most Bus
*4 - Depending on Equipment
J794 - Information Electronics Control Module 1
R11 - Antenna
R24 - Antenna Amplifier
T2aaab - 2-Pin Connector, Pink
T2aaac - 2-Pin Connector, Green
T2aaad - 2-Pin Connector, White
T4lw - 4-Pin Connector, Gray, Yellow
T4tw - 4-Pin Connector, Pink, White
T8bm - 8-Pin Connector, White
T8bmx - 8-Pin Connector, White
T8bn - 8-Pin Connector, Light Blue
T8bo - 8-Pin Connector, Black
TARU - Coupling Point on Right A-Pillar, Bottom
490 - Shielding 2 Ground Connection (in Radio Navigation System Wiring Harness)
* - Not for USA
*2 - For USA Only
*3 - For Vehicles Without Japan Equipment
*4 - Through July 2020
*5 - For Vehicles with Digital Radio
*6 - For Vehicles with TV Tuner
*7 - For Vehicles with Japan Equipment
*8 - For Vehicles Without TV Tuner
*9 - From July 2020
*10 - Refer to Applicable Communication Wiring Diagram
*11 - Refer to Applicable Sound System Wiring Diagram

