Brake Fluid Reservoir, Removing And Installing: Installing
Coat the plugs on the brake fluid reservoir with brake fluid.
-- Insert the brake fluid reservoir into the plugs in the brake master cylinder.
Further installation is performed in reverse order of removal, while noting the following:
The locking pin must go through the brake fluid reservoir tabs.
The locking pin must go through the brake master cylinder.
The locking pin must be tightened -Item 6-
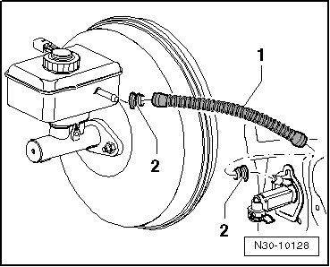
Vehicles with Manual Transmission
-- Slide the return hose -1- to the clutch master cylinder completely onto the brake fluid reservoir connection.
There is a risk of brake fluid loss. The return hose -1- must sit correctly on the brake fluid reservoir connection.
Continuation for All Vehicles
-- Fill the brake fluid reservoir up to the "MIN" mark.
Remove all cloths from the vehicle that were previously placed down.
Vehicles with Manual Transmission
-- Bleed the clutch hydraulics. Refer to the appropriate service information .
Continuation for All Vehicles
-- Bleed the brake system. Refer to HYDRAULIC SYSTEM, BLEEDING .
-- Seal the brake fluid reservoir with the cap: 1.5 ± 0.5 Nm
-- Install the plenum chamber cover. Refer to PLENUM CHAMBER COVER, REMOVING AND INSTALLING .

