LEMON Manuals: Even more car manuals for everyone: 1960-2025
Home >> Audi >> 2021 >> A4 Quattro Premium Plus, 2.0L Eng VIN B >> Repair and Diagnosis (Single Page) >> Drivelines & Axles >> Differentials & Drive Axles >> Final Drive, Differential Rear Final Drive >> 39 Final Drive, Differential >> Final Drive >> HYDRAULIC CONTROL UNIT, 0D3 "quattro sport" AND 0BX "quattro sport" >> Overview - Hydraulic Control Unit 0D3 And 0BX

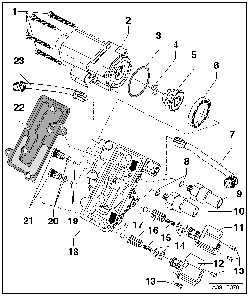
Overview - Hydraulic Control Unit 0D3 And 0BX

Fig 1: Exploded View Of Hydraulic Control Unit
GWWA39-10370Courtesy of AUDI OF AMERICA, LLC
  1. Bolt
    • 5 Nm
  2. All-Wheel Drive Pump -V415-
  3. O-Ring
    • Always replace.
  4. Adapter

    Tip:

    • The adapter could fall out when removing the All-Wheel Drive Pump -V415-.
    • Insert the adapter into the recesses in the hydraulic pump before installing the All-Wheel Drive Pump -V415-.
  5. Hydraulic Pump
    • Consists of a guide ring, the housing and six pistons
    • Assembling. Refer to Fig 2.
  6. Ball Bearing
    • Can be installed and removed by hand
  7. Left Line
    • Tighten the nuts to 30 Nm.
    • Is installed between the hydraulic control unit and the left chamber
    • Tighten both nuts hand-tight when installing
  8. O-Ring
    • Always replace.
  9. Oil Pressure/Temperature Sensor -G437-
  10. Oil Pressure/Temperature Sensor 2 -G640-
  11. All-Wheel Drive Clutch Valve 2 -N446-
  12. All-Wheel Drive Clutch Valve -N445-
  13. Bolt
    • 2.5 Nm
  14. O-Ring
    • Always replace.
    • Mount onto the Clutch Valve --
  15. Pressure Spring
    • Insert into the guide -item  : Guide
  16. Guide
    • Installation position, large diameter faced the ball -item  : Ball
  17. Ball
    • Insert into the guide before installing -item  : Guide
  18. Hydraulic Control Unit Housing
    • With centering pins -arrows-
    • The centering pins lock the hydraulic control unit and seal to the final drive housing.
  19. Ball
    • Install in the hole in the shuttle valve before installing -item  : Shuttle Valve
  20. O-Ring
    • Always replace.
  21. Shuttle Valve
    • 8 Nm
    • Removing and Installing. Refer to Fig 4.
  22. Seal
    • With strainer
    • Install on the centering pins in the hydraulic control unit housing
  23. Right Line
    • Tighten the nuts to 30 Nm.
    • Is installed between the hydraulic control unit and the right chamber
    • Tighten both nuts hand-tight when installing

Assembling the hydraulic pump 

Fig 2: Assembling Hydraulic Pump
GWWA39-10404Courtesy of AUDI OF AMERICA, LLC

-- Install the six pistons -A- in the housing -B-.

-- Install the guiding ring -C- so that the piston touches the collar -arrow-.

-- Insert the hydraulic pump -1- with the guide ring -2- in the in the hydraulic control unit housing.

Fig 3: Hydraulic Control Unit Housing
GWWA39-10447Courtesy of AUDI OF AMERICA, LLC

Function test:

-- Turn the hydraulic pump -1- several times. While doing so pay attention to the following:

Removing and installing the shuttle valves 

Fig 4: Identifying Shuttle Valves, Removal/Installation
GWWA39-10403Courtesy of AUDI OF AMERICA, LLC

-- Remove the All-Wheel Drive Pump -V415-, hydraulic pump and ball bearing -item  : Ball Bearing beforehand.

-- Remove the shuttle valves -A-. Always remove the ball -C- as well.

-- Insert the ball into the hole in the shuttle valve when installing.

-- Install the shuttle valve all the way with a new O-ring -B-.

-- Tighten the shuttle valve to the tightening specification -item  : Shuttle Valve.